pcb打樣格式 pcb打樣用原理圖可以嗎
- 發表時間:2021-12-25 11:50:03
- 作者:小編
- 來源:誠暄PCB
- 人氣: 本文有345個文字,預計閱讀時間1分鐘
最近很多朋友問小編,pcb打樣要什么樣的格式才可以,用原理圖行不行之類的,這里小編在這里一一解答。

pcb打樣格式
pcb廠家一般都支持gerber文件,.ddb文件,.pcb文件,.PcbDoc文件,.dwg文件:
1、gerber文件,使用CAM350軟件或其他CAM軟件可以打開。
2、綴是.ddb的文件,后綴是.pcb的文件都可以使用protel 99 SE軟件打開,有些后綴為.pcb的文件,要使用PADS Layout才能打開。
3、綴是.PcbDoc的文件,使用DXP軟件打開。
4、綴是.dwg文件就是CAD圖。(類似這種資料,現在比較少了)
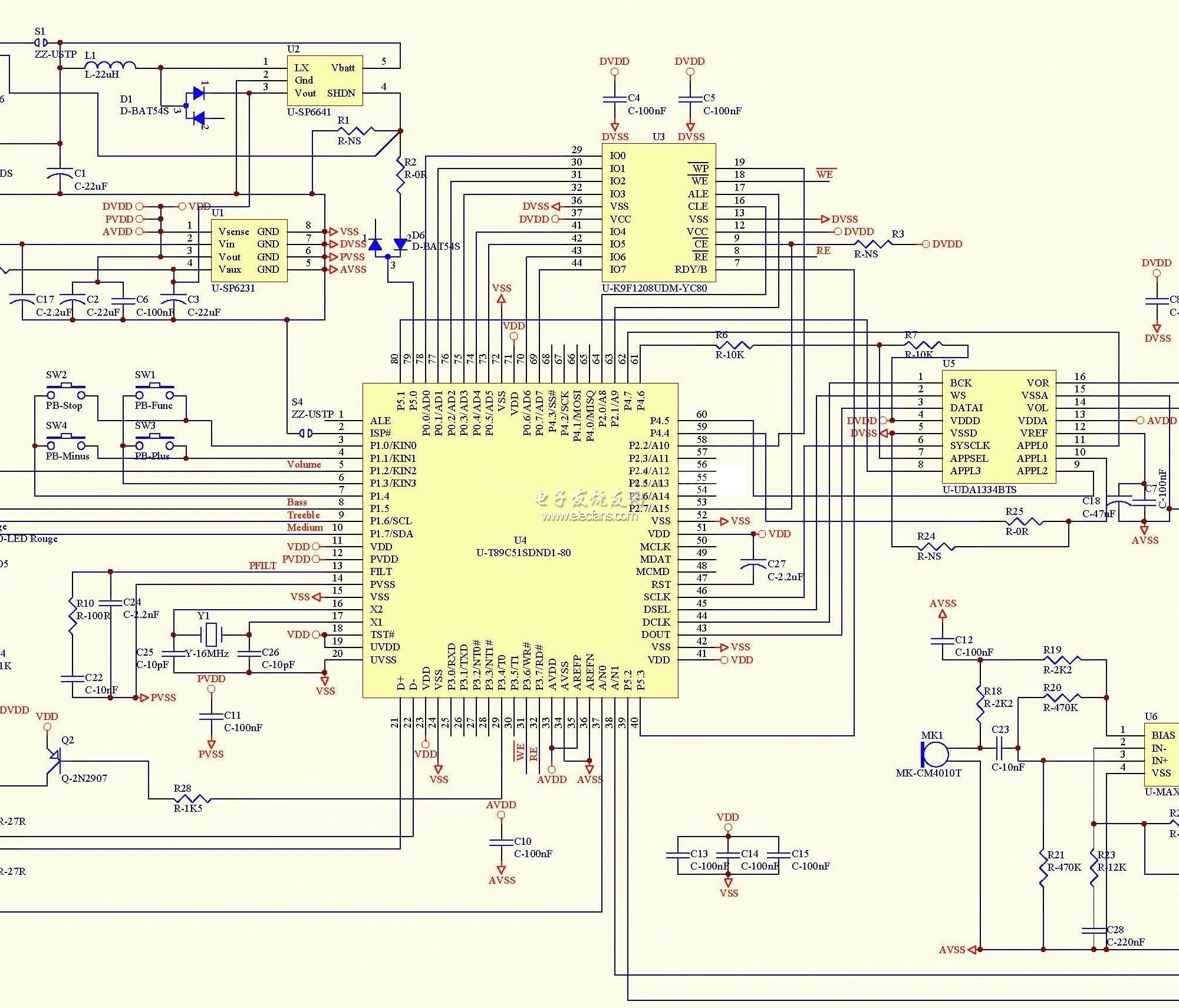
pcb打樣用原理圖可以嗎

原理圖,顧名思義就是表示電路板上各器件之間連接原理的圖表。在方案開發等正向研究中,有了原理圖的下一步是pcb布線,布線完成了保存為PCB資料,這個時候才可以外發打樣加工,所以原理圖本身是不能直接用于pcb打樣。
如果還有不明白的地方,可以聯系我司客服為您提供更詳細的的解答。
免責聲明:部分文章信息來源于網絡以及網友投稿,本網站只負責對文章進行整理、排版、編輯,是出于傳遞 更多信息之目的,并不意味著贊同其觀點或證實其內容的真實性,如本站文章和轉稿涉及版權等問題,請作者在及時聯系本站,我們會盡快和您對接處理。
標題:pcb打樣格式 pcb打樣用原理圖可以嗎
地址:http://m.haifuwg.cn/news/393.html
本站所有內容、圖片未經過私人授權,禁止進行任何形式的采集、鏡像、復制,否則后果自負!
標題:pcb打樣格式 pcb打樣用原理圖可以嗎
地址:http://m.haifuwg.cn/news/393.html
本站所有內容、圖片未經過私人授權,禁止進行任何形式的采集、鏡像、復制,否則后果自負!
推薦資訊
- 2021-12-25阻抗pcb打樣廠家介紹pcb蝕刻發生嚴重側蝕過蝕的原因
- 2021-12-26專業多層pcb電路板快速打樣廠家排名
- 2021-12-25中國PCB打樣廠家主要集中在哪些城市
- 2021-12-26深圳線路板打樣價格
- 2021-12-25PCB打樣是什么意思?PCB打樣需要注意哪些事項?
- 2021-12-26精密pcb線路板打樣廠家推薦
- 2021-12-25pcb打樣的工序有哪些
- 2021-12-25pcb打樣工廠介紹關于pcb設計中各層的作用是什么
- 2021-12-25pcb打樣顏色 pcb板油墨變色怎么處理
- 2021-12-25pcb打樣公司:貼片之前人工手動拼板有什么好處
- 2021-12-25pcb打樣廠家介紹pad(焊盤)和via(過孔)的區別
- 2021-12-25PCB打樣什么價格?PCB打樣的價格哪家比較實惠?
- 2021-12-25pcb打樣需要注意什么 pcb打樣拼板是什么意思
- 2021-12-26pcb板快打樣多少錢 pcb板快打樣哪家好
- 2021-12-25外發pcb打樣需要提供什么文件?外發pcb打樣要多久才能好
- 2021-12-25深圳pcb打樣工廠在生產中孔無銅開路的原因及控制方法
- 2021-12-25雙面pcb打樣價格 深圳雙面pcb打樣廠家哪家好
- 2021-12-25慈溪pcb打樣:制作PCB板中4種特殊工藝的孔
- 2021-12-25北京pcb打樣價格和批量價格是多少
- 2021-12-25廠家直銷的24小時加急PCB打樣價格是多少?
新聞中心



